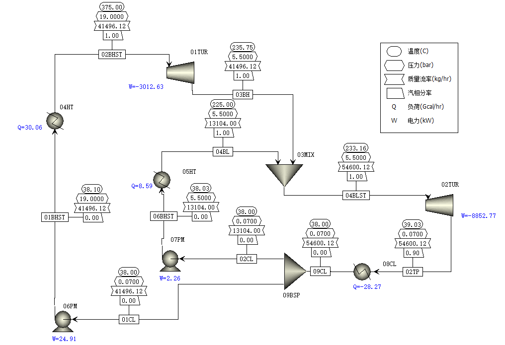
该模拟计算是基于《烧结机双压余热发电性能计算》所进行的模拟,模拟计算的结果(11.865MW)和软件计算结果完全符合,误差小于5%,模拟过程并不是一帆风顺,经过了一天的摸索终于收敛,调试水平又进一步提高,同时希望大家和站长一起进步。最后真诚地希望广大网友对该软件提出合理的建议,在此站长将对你的建议和意见表示诚挚的谢意和衷心的感谢。
如你有其他需求或对软件有什么建议的话,可以随时联系渝石网络站长,站长将及时地给予回答。同时你也可以在网站下载其相关资料,网站地址:http://www.fishsting.com/。
顺便做个广告,帮忙点击房屋出租。

2026年3月18日
黄建春
2026/3/18
225