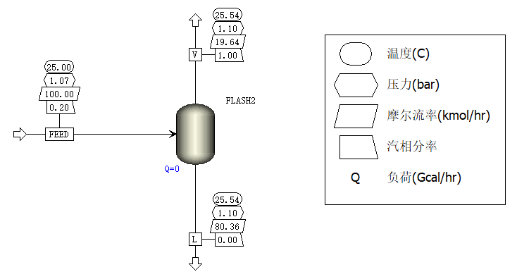
流量为100kmolh、温度为 25℃的烃类混合物,其中丙烷、正丁烷、正戊烷、正已烷的摩尔分数分别为0.1、0.2、0.3和0.4,气相分率为0.2,进入闪蒸器Flash2在110kPa绝热闪蒸分离,计算液相和气相的组成和物流出口温度。最后真诚地希望广大网友对该软件提出合理的建议,在此站长将对你的建议和意见表示诚挚的谢意和衷心的感谢。
如你有其他需求或对软件有什么建议的话,可以随时联系渝石网络站长,站长将及时地给予回答。同时你也可以在网站下载其相关资料,网站地址:http://www.fishsting.com/。
顺便做个广告,帮忙点击房屋出租。

2026年3月14日
黄建春
2026/3/14
200