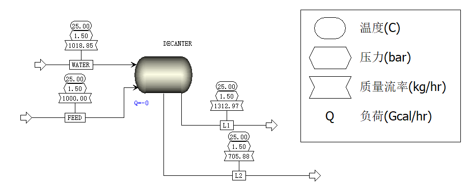
用水从乙醇和正已烷混合溶液中萃取乙醇,已知混合溶液的流量为1000kg/h,压力为 0.15MPa,温度为25℃,乙醇和正已烷的质量分数为30%和70%,水的压力和温度与混合溶液相同,要求乙醇的萃取率达到98%,求水的流量和萃取相与萃余相的组成。最后真诚地希望广大网友对该软件提出合理的建议,在此站长将对你的建议和意见表示诚挚的谢意和衷心的感谢。
如你有其他需求或对软件有什么建议的话,可以随时联系渝石网络站长,站长将及时地给予回答。同时你也可以在网站下载其相关资料,网站地址:http://www.fishsting.com/。
顺便做个广告,帮忙点击房屋出租。

2026年3月14日
黄建春
2026/3/14
171